这几天业务有点忙,昨天是阿三找我们谈合作,今天又来几个韩国客户找我们,韩国客户找我们公司的业务员,问这个产品能不能做,我公司业务员一看这产品图纸也太简单了,这就是普通的零件,用cNc直接做就完事了,让cNc编程技术员编程,直接把加工程序输入到cNc系统里就可以了。 韩国客户提出一个要求,说可否看一下你公司CNC车间,业务员带棒子到cNC车间转了一圈后,棒子说我们公司cNc机台不行,说你们机台做出来的产品质量肯定不达标,公差必须满足在正负0.00001mm之内,这个必须用我公司CNC机台才行,业务员问棒子准备下多少这种产品,棒子说先下500000个产品,一个产品价格28元,你们自己算算多少钱,后期满意可能10000000个产品给你们做,但你们必须先买我公司1000台CNC,一台CNC价格560000元,这个价格也不贵,你们先考虑一下,没问题的话可以合作。



太空之弦
小编啥也不懂,0.00001mm=10纳米!10纳米光刻机精度!
用户10xxx41
这就是一个推销机器的销售员,只不过是披了一个买家的外衣!他有机器为什么不自己加工呢?加工操作又不困难!等你买了他家的机器了,又说产品质量不达标不需要你的产品了…… 另外,什么产品需要精度那么高的配件?就算航空航天产品也不需要吧……
宝宝的梅梅
56万的cnc想做出0.00001mm公差?这价格还用拿订单来做诱饵?老板直接求着买你的cnc。机加工有能做0.00001mm公差的cnc吗?
用户10xxx41
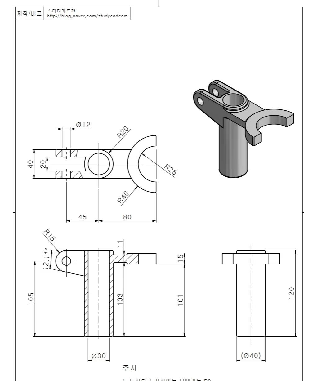
这图纸并没有标注公差要求,只是普通的零件图纸而已已……