藏书网
绿柏聊生活的文章
电工基础电路,串联 并联 混联。零基础学电工 电工知识 电工接线 电工教学
教育
2026-03-06 21:58
2026电工保命口诀,一共八句话。知识精选 电工 电工口诀 电工笔记
教育
2026-03-06 00:56
一张图分清高低压,安全电压,直流电压等级。电工 电工常识 电路知识 每天跟我涨知
教育
2026-03-06 00:56
三个60W的灯泡,没有零线,怎么接三相电。零基础学电工 电工知识 电工 电工教学
教育
2026-03-05 11:56
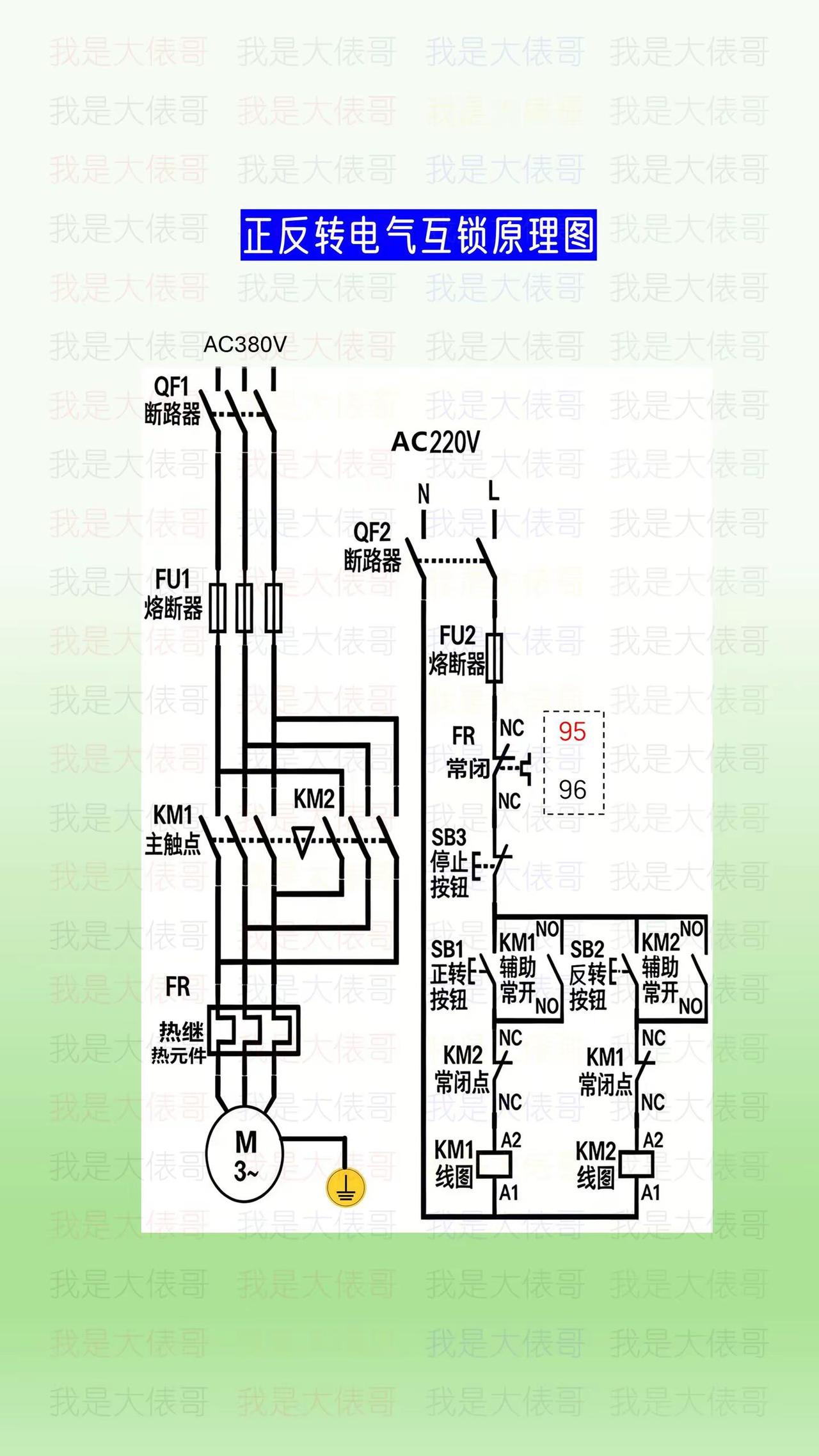
正反转原理图,两个交流接触器电气互锁控制。零基础学电工 电工知识 电工教学 正反
教育
2026-03-04 19:56
一灯双控和两地控制的工作原理是一样的。零基础学电工 电工知识 电工接线 一灯双控
家居
2026-03-04 19:56
一台55千瓦的三相电机,怎么选择合适电缆。电工知识 电工 三相电机 零基础学电工
教育
2026-03-04 19:56
万用表档位介绍和使用口诀。零基础学电工 电工知识 电工常识 电工教学
教育
2026-03-03 01:57
自锁电路实物接线,口诀,故障分析。零基础学电工 电工知识 电工常识 电工教学
教育
2026-03-03 01:57
维修电工面试题,别死记硬背,要懂原理。电工常识 电路知识 三相电机 星接和角接的
教育
2026-03-03 01:57
6个经典的电气原理图,非常适合新手练习。零基础学电工 电工知识 电工常识 电工教
教育
2026-03-01 00:57
触点容量低,可以这样并联增容吗?零基础学电工 电工知识 电工 电工接线
教育
2026-02-28 18:28
三相电动机的两种接法,一个星接一个角接。电工知识 电工 电工笔记 零基础学电工
教育
2026-02-28 15:02
叫你肯吃,管不住嘴,过个年,牙疼到现在。白天还好,一到晚上就疼的睡不着,大家有什
2026-02-28 00:56
电工三不摸铁律,这个要知道,安全操作记心。电工知识 电工三不摸 电工 零基础学电
教育
2026-02-27 00:56
为什么老电工会估算电流,记住这个口诀。电工知识 电流 零基础学电工 估算电流
教育
2026-02-24 20:55
知道三相电机功率,怎么选择合适的电缆线?电工知识 电工 计算电流 零基础学电工
家居
2026-02-24 20:55
一灯一控接线,一灯双控接线,一灯三控接线零基础学电工 电工 电工接线 电工常识
教育
2026-02-24 00:54
电工面试题,三相不平衡,怎么计算零线电流。电路知识 电气 电工知识 零基础学电工
教育
2026-02-23 20:54
电工要知道的电容知识。电容串并联、启动电容和运行电容电工知识 电工 电容 电容串
家居
2026-02-23 19:56
第一页
下一页
绿柏聊生活
感谢大家的关注
热门分类
推荐
热榜
军事
NBA
体育
社会
明星八卦
娱乐
财经
科技
汽车
历史
国际
游戏
动漫
公益
搞笑
商业
互联网
数码
国际足球
房产
家居
时尚
科学探索
职场
育儿
股票
教育
影视
情感
热点
中国军情
武器
中国南海
中国足球
亚洲杯
科比
综合体育
CBA
投资
大咖秀
外汇
创业
风口
SUV
豪车
概念车
优惠
新能源
美国
欧洲
朝日韩
俄罗斯
孕期
街拍
婚姻
正能量