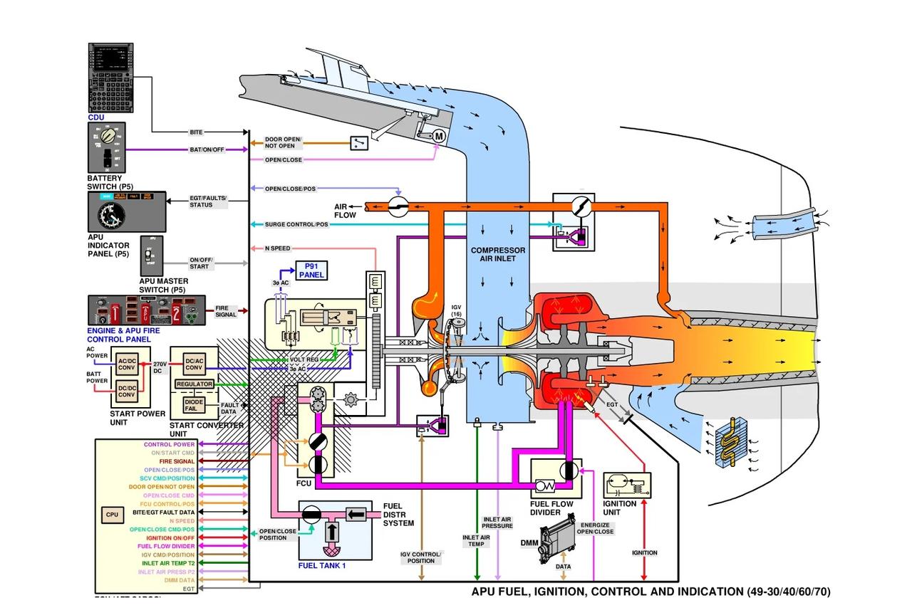
波音B737系统彩图详解 波音B737系统彩图,覆盖FCOM等手册张章节范围内的所有系统 近百页不重复,系统逻辑图,工作原理图,部件组成图等 值得学习和收藏的资料 pdf电子文档 波音 波音737
猜你喜欢
【313评论】【51点赞】
【1点赞】
航空解密
感谢大家的关注
作者最新文章
热门分类
国际TOP
国际最新文章